开云线上平台_开云(中国)

语言
当前位置:开云线上平台_开云(中国) > 开云线上平台_开云(中国) > 力传感器 > 拉压力传感器

力传感器 > 拉压力传感器

拉压力传感器

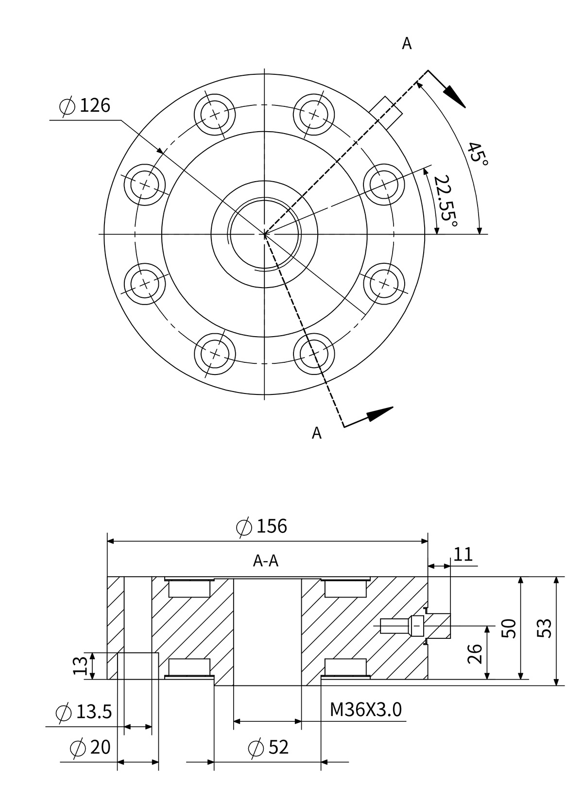
KWT1D156(航插)

产品介绍
经过高低温补偿、温度特性好;响应速度快;采用电阻应变式原理、精度高;长期稳定性强;多量程范围可选、轻松应对各种场景。
产品规格
产品型号 KWT1D156航插
额定量程 100 kN
灵敏度 2 mV/V
激励电压 10 V
非线性 ≤0.05% F.S.
滞后 ≤0.1% F.S.
重复性 ≤0.05% F.S.
工作温度范围 -10 ~ +80 ℃
补偿温度范围 20 ~ +60 ℃
安全过载 150% F.S.
极限过载 200% F.S.
线缆规格 Φ6×1000 mm
输出信号 模拟信号
防护等级 IP67

产品安装尺寸图
产品证书
X

截屏,识别二维码

微信二维码

(点击复制 微信二维码)

微信二维码已复制,请打开相关访问!
X

截屏,识别二维码

抖音二维码

(点击复制 抖音二维码)

抖音二维码已复制,请打开相关访问!
X

截屏,识别二维码

微博二维码

(点击复制 微博二维码)

微博二维码已复制,请打开相关访问!
Copyright 2025 开云线上平台_开云(中国) 版权声明
技术支持:
Copyright 2025 坤维传感
X

截屏,识别二维码

手机二维码

(点击复制手机二维码)

二维码已复制,请打开相关访问!